Online od roku 2006 – Overené skúsenosti
Viac než 100.000 produktov – Široký sortiment
Dodanie z vlastného skladu – Rýchle doručenie
Bezplatná doprava od 150 €

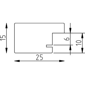
Effect fotorámik Profil 71 dub 25x35 cm antireflexné sklo

Dubový fotorámik 25x35 cm, masívne drevo s dyhou, antireflexné sklo, šírka lišty 2,5 cm, moderný dizajn, na zavesenie na stenu
Typ skla 
Veľkosť 

49,20 €
ink. DPH , plus prepravné náklady