Online od roku 2006 – Overené skúsenosti
Viac než 100.000 produktov – Široký sortiment
Dodanie z vlastného skladu – Rýchle doručenie
Bezplatná doprava od 150 €

effect Drevený fotorámik Profil 51 antiksilber 18x32 cm

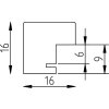
Masívne drevené prevedenie, antiksilber fóliová optika, antireflexné sklo, 18x32 cm, oblé hrany, zavesenie na stenu
Farba 
Typ Skla 
Veľkosť Rámu Obrazu 

40,40 €
ink. DPH , plus prepravné náklady